一、螺旋式断带抓捕器概述
DDZ 型带式输送机用断带抓捕器(以下简称断带抓捕器)是高邮市恒立液压成套设备有限经数年努力于2008 年推出的新产品,该产品填补国内空白,提高了产品性能,扩大了保护的范围,广泛适用于矿山、冶金、电力、港口码头等上运行输送机的胶带保护。特别适用于大倾角、大运量、长距离的上山强力型或普通型胶带输送机。当带式输送机发生断带或逆止器失效时,断带抓捕器可迅速抓捕胶带断裂或失控后突然下滑的重、空段胶带,并具有防止胶带跑偏的功能,在需要时可作卡带器作用。
产品执行标准:Q321084JTH02-2009。
本系列产品已经获得矿用产品安全标志证书.
安全标志编号:MCA110386/MCA110385
二、规格型号、适用条件及技术参数

标记示例:
带式输送机用断带抓捕器,额定制动力是35kN,带宽为100cm,其型号标记为:DDZ-35/100。
2、适用条件
●胶带宽度:>650mm
●上运倾角:>8°
●机架型式:固定式、拆卸式、吊挂式
●托辊槽角:≤60°
3、技术参数
●上断带抓捕器单侧制动宽度:180mm
●额定制动力:35kN

三、结构特征与工作原理
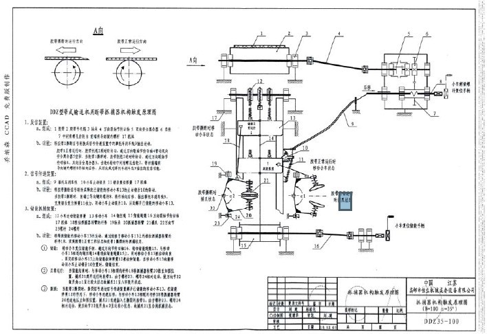
断带抓捕器由上断带抓捕器和下断带抓捕器组成。上断带抓捕器(见图1)主要由断带保护机架1、滑车机构2、平托辊6、斜托辊7、触发齿轮箱10 及抓捕力臂组成。当输送机正常工作时,夹板旋转在胶带的左右两侧与胶带不接触。当发生断带时,由逆止触发机构启动压板抓臂,向胶带内侧作螺旋式旋转。当上下压板相对摩擦时,摩擦力加大压板的螺旋力度,上下夹板快速夹紧胶带,最终迅速将下滑的胶带抓紧,保护输送带。下断带抓捕器(见图2)主要由逆止托辊2、平行托辊9、偏心逆止托辊6、制动连杆5、拨杆4 等组成,偏心逆止托辊内装有偏心轮6、制动辊轴8 及偏心轮传动机构,逆止托辊装有拨销轮3 及传动机构。在输送机正常工作时,逆止托辊与胶带不接触,偏心逆止托辊悬空,一旦发生断带,胶带下滑,逆止托辊与胶带接触,在摩擦力作用下反转,拨销轮与托辊一起转动,从而拨动拨杆,拨杆推动制动连杆,制动连杆使偏心逆止托辊挤向平行托辊,最终将断带抓捕,保护输送带。

四、抓捕器机械触发原理图

五、安装调整、维护保养
正确安装使用,定期检查,仔细维护断带抓捕器,能使断带抓捕器经久耐用,否则会使断带抓捕器很快损坏,无法继续使用。
1、断带抓捕器应按表1、表2 要求的间距沿输送机沿线布置。
表1 上断带抓捕器沿线布置的安装间距

注:最少安装数量不少于二组。
2、安装调整:
a. 安装前首先检查机架是否变形,闸块及托辊的灵活情况。
b. 搬运断带抓捕器时严禁乱摔乱碰,以免机架变形及零部件损坏。
c. 各组断带抓捕器可在沿线均匀布置,安装间距必须符合规定。
d. 断带抓捕器安装处输送机的机架应平直、不歪斜、不变形。
e. 上断带抓捕器的闸块释放后与托辊间隙调整:松开紧固螺母,转动闸块调节
螺栓即可调节,注意四个固定螺栓调整的应一致。
f. 下断带抓捕器的偏心逆止托辊与下输送胶带间距调整:松开压块紧固螺栓及偏心逆止托辊支座,移动偏心逆止托辊支座,调整与下输送带的 间距,调整好后紧固。
g. 安装后,进行重、空载试运行,观察断带抓捕器与皮带配合情况。
3、维修保养:
a. 检查、调整、更换零件时,必须确认带式输送机处于停机状态,并有专人监护。
b. 维修人员应定期处理断带抓捕器上的积灰,保证良好的清洁状态。
c. 在运行中避免皮带的严重跑偏。
d. 定期检查断带抓捕器各处的紧固件是否松动,发现松动应及时紧固,特别是大螺栓及机架上连接螺栓的紧固情况,发现零件有损坏应及时更 换。
e. 定期检查闸块的动作及磨损情况,发现异常应及时处理。
f. 定期清洗轴承,给轴承添加适量锂基润滑脂,在运转过程中轴承温度不应超过环境温度35°C,但最高不超过75°C。
g. 定期检查断带抓捕器各辊正转的灵活性,反转时发生制动动作的可靠性。
h. 运转过程中,如发生异常声音时应立即停车检查。
六、注意事项
1、在检查、调整、更换零件时,必须停机、切断电源。
2、断带抓捕器在输送机上的安装数量、间距应符合表1、表2 的规定,否则将不能保证可靠的抓捕保护作用。
七、“三包”协议
按上级与本规定,执行对断带抓捕器包修、包换、包退,如有质量问题(不得自行拆卸),可直接与本售后服务科联系。