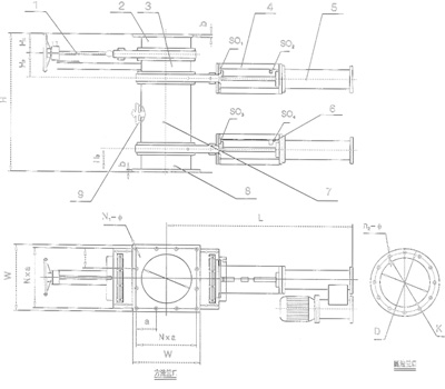
电液动插板式双层卸灰阀
该卸灰阀采用电液推杆作动力源,对夹式灰渣(漿)阀作阀门,其阀体板动作灵敏,运行平稳,行程控制准确,有效的缓解冲击力,具有可靠过载保护能力。能按编程要求自动完成上、下阀的相互交替工作,确保在正压或负压状态下卸灰,在设定的卸料量后自动停止,阀门关闭,能解决小块料粘结而堵塞及大块料卡阻的缺陷。广泛应用于冶金、矿山、建材、电力、化工等工业销售流程需要远程控制或现场控制卸灰(料)的过程中。
DYCXH型电液动插板式双层卸灰阀主要技术性能参数

注:用户如需表中未列出的特殊要求,可按用户设计制造;
电液推杆最大工作频率在常温下<=20次/小时为宜。
主营:电液推杆、电液动平板闸门、双层单门式电动锁风翻板阀、电液动伸缩阀、电液动蝶阀、缓冲锁气器、露天胶带机脱排水装置、新型液压全自动皮带调偏装置、胶带自控液压拉紧装置、电液动扇形盲板阀、电液动球阀、电液动水道蝶阀、电液动矩形单叶片通风蝶阀、浆液阀、灰渣阀、星形卸灰阀、单层重锤式锁风翻板阀、双层双门式电动锁风翻板阀、电液动料流插板调节闸门、电液动锥形双层卸灰阀、电液动切断阀、电液动百叶圆式/窗式阀、双层棒条阀、电液动斜板尘气蝶阀、电液动腭式闸门、电液动扇形闸门、电液动可变槽角犁式卸料器、自控除尘卸料装置、电液动四通分料器、电液动三通分料器、电液动回转器(转角器)、冶金设备标准液压缸、液压站、整体直式电液推杆、平行式电液推杆、分离式电液推杆、整体直式微型电液推杆、
电液动插板式双层卸灰阀